
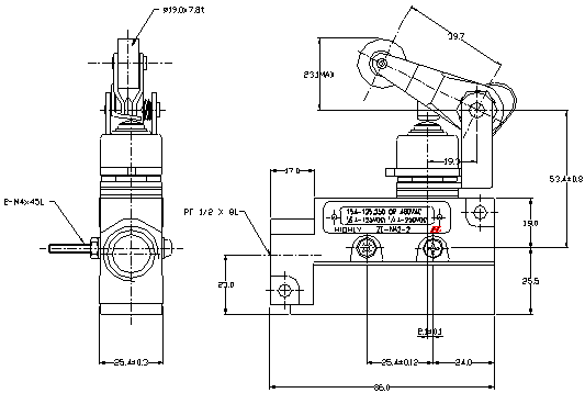
ZE6104
| OF max | 640g | 
 | 
| RF min | 230g | |
| PT max | 5mm | |
| OT min | 6mm | |
| MD max | 0.4mm | |
| OP | ---- | |
| 15A 125VAC or 250VAC | ||
| 
 | ||
ZE6100 ZE6101 ZE6102 ZE6112 ZE6104
BACK