
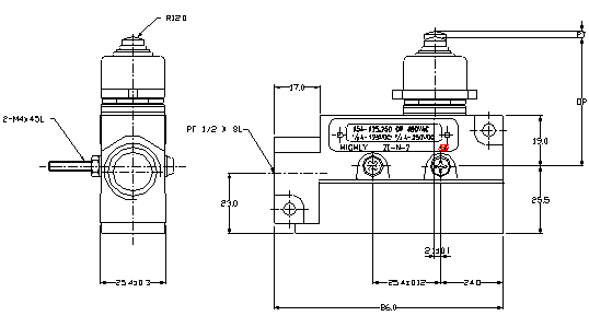
ZE6101
| OF max | 800g | 
 | 
| RF min | 240g | |
| PT max | 2mm | |
| OT min | 5mm | |
| MD max | 0.1mm | |
| OP | 45.8±0.8mm | |
| 15A 125VAC or 250VAC | ||
| 
 | ||
ZE6100 ZE6101 ZE6102 ZE6112 ZE6104
BACK